Отдел продаж
Сервисный центр
Техподдержка

Двухканальный делитель мощности с сосредоточенными элементами

по запросу
Товар в производстве
- +

Двухканальный делитель мощности с сосредоточенными элементами - это сложный РЧ компонент, разработанный для использования в диапазоне частот от 16 до 127 МГц, что делает его пригодным для широкого спектра приложений, включая системы беспроводной связи, вещание и многое другое. Этот двухканальный разветвитель/делитель/сумматор мощности с сосредоточенными элементами выделяется своими исключительными эксплуатационными характеристиками и универсальностью.


  • Артикул: <по запросу>
  • Габариты: <по запросу>
  • Вес: <по запросу>

Данная модель работает как делитель мощности и как сумматор, обеспечивая эффективное распределение и рекомбинацию сигналов в указанном диапазоне частот. Его сосредоточенная конструкция элементов обеспечивает компактность и простоту интеграции в различные электронные системы. Устройство имеет вносимые потери всего 0,016 дБ, что гарантирует минимальное ухудшение сигнала во время передачи или приема, что имеет решающее значение для поддержания высокой целостности сигнала.

Коэффициент деления мощности 0,12702:1 указывает на то, что данный делитель может делить входную мощность на два выхода с этим определенным коэффициентом, обеспечивая гибкость в проектировании системы, где требуются разные уровни мощности на нескольких выходах. Эта функция особенно полезна в таких сценариях, как антенные решетки или при питании нескольких усилителей от одного источника.

Кроме того, этот разветвитель/сумматор мощности поддерживает двунаправленную работу, то есть он может функционировать одинаково хорошо как при разделении входящего сигнала на несколько путей, так и при объединении нескольких сигналов в один выход. 

Диапазон частот: 16~127 МГц
Вносимые потери: ≤0,6 dB
Амплитудный баланс: ≤±0,2 dB
Фазовый баланс: ≤±1,5 градуса
КСВ: ≤1.25 : 1
Изоляция: ≥20 dB
Сопротивление: 50 ОМ
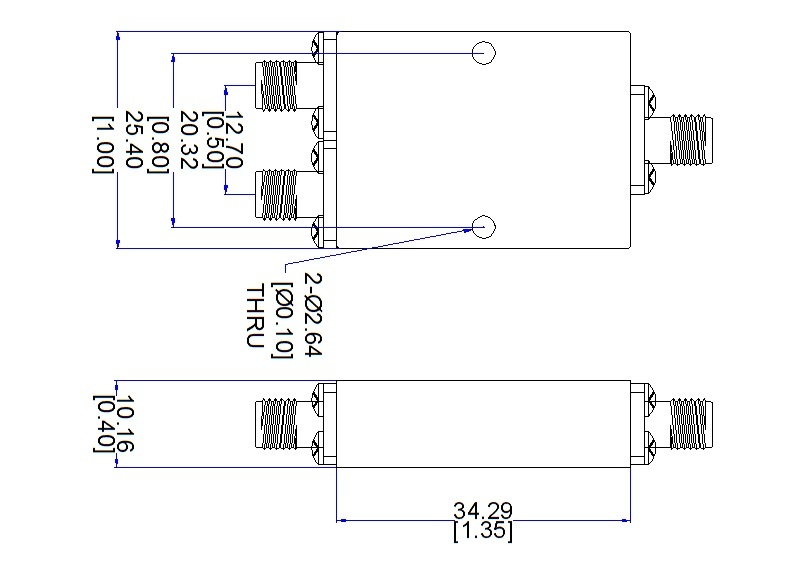
Разъемы: SMA-Female
Мощность обработки: 1 Ватт
0 Отзыва(ов)
Оставьте Ваш отзыв:
Рейтинг
Согласен(на) с тем, что оставленная мной информация может быть использована компанией ООО "Пикоселл" для обработки моего запроса. Политика конфиденциальности
  • Артикул
    <по запросу>
Параметры в упаковке:
  • A — 0.0 см
  • B — 0.0 см
  • C — 0.0 см
  • 0.0 М 3
  • 0.0 Кг
Вы можете скачать все доступные фото данного товара по ссылке: скачать
Для того, чтобы скачать все фото одним архивом, зарегистрируйтесь на сайте как партнер или войдите в личный кабинет
Способы доставки:
1. Курьерская доставка
Стоимость доставки по Москве в пределах МКАД грузов массой до 5 кг- 500 руб. Стоимость грузов массой свыше 5 кг предварительно согласовывается с менеджером.
Срок доставки от 1 до 3 рабочих дней.
Во время распродажи сроки доставки могут быть увеличены. Сумма указана за доставку в пределах МКАД. Более подробную информацию Вы можете уточнить у менеджеров по телефону 8 (800) 200-66-74
2. Самовывоз со склада PicoCell
Наш адрес склада:
г. Москва, ул. Ивана Франко, д. 4, корп. 3.
Вход через проходную "ЦНИТИ ТЕХНОМАШ": ул.Ивана Франко, дом 4, корп. 4. Въезд на территорию на машине за габаритным грузом предварительно согласовывается с менеджером!
3. Забрать из пункта выдачи заказов
При оформлении заказа выберите на карте удобный для Вас пункт выдачи заказов, в который будет доставлен заказ
4. Доставка транспортными компаниями по России.
Доставка до терминала компании "Деловые Линии"осуществляется бесплатно. Сотрудничаем с транспортными компаниями "Пони экспресс", СДЭК, Dimex. Цена доставки рассчитывается по тарифам транспортных компаний.
Варианты оплаты:
Наличными при получении
Оплата курьеру при доставке по Москве и Московской области. Также возможна оплата наличными средствами в пункте выдачи и при самовывозе в офисе компании.
Безналичный расчет
При оформлении заказа просто прикрепите свои реквизиты и мы выставим Вам счёт. Все цены включают 20% НДС.
Вам могут понадобиться:
Делители MegaCoup...
Разветвитель AN Coupler 1/3
Артикул: 202
1 500 руб.
Делители MegaCoup...
Кабельная сборка 8D/FB N/m ...
Артикул: 408
по запросу
Делители MegaCoup...
Переходник SN-321
Артикул: 904
300 руб.
Похожие товары
Двухполосный полосковый делитель мощности 0,4-3 ГГц
Двухполосный полосковый делитель мощности 0,...
  • Артикул
    <по запросу>
по запросу
Товар в производстве
MegaCoupler 18-40GHz-1/6
MegaCoupler 18-40GHz-1/6
  • Артикул
    221
  • Частоты
    18000-40000 МГц
  • Кол-во выходов
    <по запросу>
  • Прямые потери
    ≤2,4 дБ
по запросу
Товар в производстве
Двухсторонний РЧ-разветвитель мощности 10-40 ГГц
Двухсторонний РЧ-разветвитель мощности 10-40...
  • Артикул
    <по запросу>
по запросу
Товар в производстве